语言

+86-13615760288
四系列高效三相异步电机
/ 产品 / 高效电机 / 四系列高效三相异步电机
  • 四系列高效三相异步电机
  • 四系列高效三相异步电机
  • 四系列高效三相异步电机
  • 四系列高效三相异步电机
  • 四系列高效三相异步电机
  • 四系列高效三相异步电机
  • 产品详情
  • 常见问题解答
类型 额定输出 评分
速度
效率 动力喷射器 评分 current 锁定
转子扭矩/额定扭矩
最大扭矩/额定扭矩 锁定 rotor curent/Rated current 噪音
千瓦 惠普 转速 数% 科斯 一个 锛屽s/Tn 最大/吨 I邨T/T氟线性线性线性线性线性 dB(A)
胃肠道LF-621-4 0.12 0.16 1310 57 0.72 0.44 2.1 2.2 4.4 55
GLF-632-4 0.18 0.25 130 60 0.73 0.62 2.1 2.2 4.4 56
GLF-711-4 0.25 0.33 1330 65 0.74 0.79 2.1 2.2 5.2 55
GLF-712-4 0.37 0.5 1330 67 0.75 1.12 2.1 2.2 5.2 55
GLF-80甲基1-4 0.55 0.75 1390 70 0.75 1.6 2.4 2.3 5.2 58
GLF-80M2-4 0.75 1 1390 73 0.76 2 2.3 2.3 6 58
GLF-90S-4 1.1 1.5 1390 75 0.77 2.9 2.3 2.3 6 61
GLF-90L-4 1.5 2 1390 78 0.79 3.7 2.3 2.3 6 61
GLF-100L1-4 2.2 3 1410 80 0.81 5.2 2.3 2.3 7 64
GLF-100L2-4 3 4 1410 82 0.82 6.8 2.3 2.3 7 64
GLF-112M-4 4 5.5 1440 84 0.82 8.8 2.3 2.3 7 65
GLF-132S-4 5.5 7.5 1440 85 0.83 11.8 2.3 2.3 7 71
GLF-132M-4 7.5 10 1440 87 0.84 15.6 2.3 2.3 7 71
GLF-160M-4 11 15 1460 88 0.84 22.3 2.2 2.3 7 75
GLF-160L-4 15 20 1460 89 0.85 30.1 2.2 2.3 7.5 75
GLF-180M-4 18.5 25 1470 90.5 0.86 36.1 2.2 2.3 7.5 76
GLF-180L-4 22 30 1470 91 0.86 42.7 2.2 2.3 7.5 76
GLF-200L-4 30 40 1470 92 0.86 57.6 2.2 2.3 7.2 76
GLF-225S4 37 50 1475 92.5 0.87 69.9 2.2 2.3 7.2 78
GLF-225M-4 45 60 1475 92.8 0.87 84.7 2.2 2.3 7.2 78
GLF-711-6 0.18 0.25 850 56 0.66 0.74 1.9 2 4 52
GLF-712-6 0.25 0.33 850 59 0.68 0.95 1.9 2 4 52
GLF-80M1-6 0.37 0.5 885 62 0.7 1.3 1.9 2 4.7 54
GLF-80M2-6 0.55 0.75 885 65 0.72 1.8 1.9 2.1 4.7 54
GLF-90S-6 0.75 1 910 69 0.72 2.3 2 2.1 5.5 57
GLF-90L-6 1.1 1.5 910 72 0.73 3.2 2 2.1 5.5 57
GLF-100L-6 1.5 2 920 76 0.75 3.9 2 2.1 5.5 61
GLF-112M-6 2.2 3 935 79 0.76 5.6 2 2.1 6.5 65
GLF-132S-6 3 4 960 81 0.76 7.4 2.1 2.1 6.5 69
GLF-132M1-6 4 5.5 960 82 0.76 9.8 2.1 2.1 6.5 69
GLF-132M2-6 5.5 7.5 965 84 0.77 12.9 2.1 2.1 6.5 69


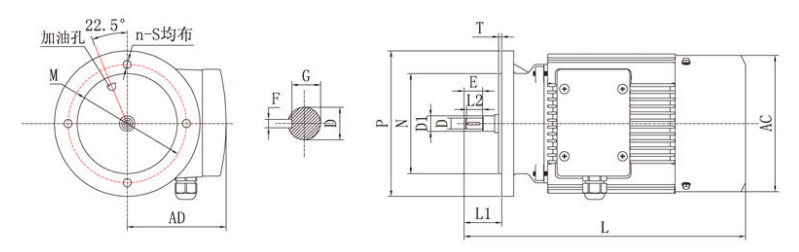
尺寸绘图

基本编号 功率(千瓦) 密度差 密度差1 L1 L2 永利 丙酸 M T S n G F 一个C 一个D L
标准电机 制动电机 变频电机 变频制动电机
密度差71K4
密度差71C4
密度差71D4
0.18
0.25
0.37
10 14 36 17 18.5 120 100 80 3 6.6 4 8.6 2 150 108 293 345 333 402
41.5 160 130 110 3.5 9
47.5 200 165 130 3.5 11
密度差80K4
密度差80N4
0.55
0.75
12 17 36 19 20.5 120 100 80 3 6.6 4 10 3 165 115 315 368 353 405
41.5 160 130 110 3.5 9
47.5 200 165 130 3.5 11
52.5 250 215 180 4 14
密度差90S4
密度差90L4
1.1
1.5
14 20 36 21 22。5- 120 100 80 3 6.6 4 12 3 180 123 354 406 383 462
41.5 160 130 110 3.5 9
47.5 200 165 130 3.5 11
53.5 250 215 180 4 14
密度差100M4
密度差100L4
2.2
3
16 22 36 24 26 120 100 80 3 6.6 4 13.4 4 210 136 412 469 435 525
44 160 130 110 3.5 9
52 200 165 130 3.5 11
56 250 215 180 4 14
62 300 265 230 4 14
68 350 300 250 5 18
密度差112M4 4 18 25 44 27.2 29 160 130 110 3.5 9 4 15.4 4 232 150 441 504 464 554
53 200 165 130 3.5 11
58 250 215 180 4 14
63 300 265 230 4 14
69 350 300 250 5 18
密度差132S4
密度差132M4
密度差132L4
5.5
7.5
9.2
22 30 44 34.2 36 160 130 110 3.5 9 4 18.5 5 275 160 490 558 518 625
56 200 165 130 3.5 11
61 250 215 180 4 14
66 300 265 230 4 14
72 350 300 250 5 18
79 400 350 300 5 18 8
87 450 400 350 5 18
密度差160M4
密度差160L4
(铸铁外壳)

11

15

28 36 61 37.5 41 200 165 130 3.5 11 4 23.9 6 330 255 160米:
587
160升:
631
160米:
677
60升:
721
160米:
625
160升:
669
160米:
694
60升:
738
66 250 215 180 4 14
71 300 265 230 4 14
77 350 300 250 5 18
84 400 350 300 5 18 8
92 450 400 350 5 18
100 550 450 450 5 18

密度差180M4
密度差180L4
(铸铁外壳)
18.5
22
32 40 66 37.5 41 250 215 180 4 14 4 27.3 8 380 280 180米:
682
180升:
720
180米:
758
180升:
796
180米:
702
180升:
740
180米:
808
180升:
846
71 300 265 230 4 14
77 350 300 250 5 18
84 400 350 300 5 18 8
92 450 400 350 5 18
100 550 500 450 5 18
密度差200L4
密度差225S4
密度差225M4
(铸铁外壳)
30
37
45
38 50 71 37.5 41 300 265 230 4 14 4 33 10 200升:
420
225基地:
470
200升;
305
225基地:
335
200升:
721
225S:
756
225米:
786
200升:
847
225S:
892
225米:
922
200升:
761
225S:
803
225米:
833
200升:
858
77 350 300 250 5 18
84 400 350 300 5 18 8
92
100
450 400 350 5 18
550 500 450 5 18
消息反馈
关于
浙江利祥机电有限公司。
浙江利祥机电有限公司。 is a small and medium-sized motor manufacturing enterprise that integrates design, production, research and development, sales, and service. The company possesses advanced production equipment and a team of capable technical personnel. With scientific management methods and strong operational capabilities, it continues to advance steadily in the competitive market.
这些电机广泛应用于食品加工、纺织、造纸、包装、陶瓷、化工、畜牧机械、木工和农业水利等行业。产品在全国多个省市广受欢迎并销售。
新闻
  • 第 1 点 检查电机转速是否正常,没有转速波动或失速,如转速表所确认的那样。 第 2 点 检查电机脚螺栓是否松动、基础是否完好以及电机周围是否有碎屑。 第 3 点 检查电机盖和联轴器是否完好,联轴器连接螺钉是否松动,电机本体上是否有碎屑...

    Read More
  • 汽车外壳 前盖、中间壳体、后盖主要作为无刷电机的结构部件,构成其整体框架。在外转子无刷电机中,外壳也充当磁路的一部分,因此必须由导磁材料制成。相比之下,内转子电机的外壳仅用于结构目的,并不受材料选择的限制。然而,内转子电机包括一个额外的转子铁芯,它也充当磁路...

    Read More
  • 无刷电机控制器的主要优点包括电磁干扰低、噪音低、运行平稳、使用寿命长。其基本结构部件包括前盖、中间壳体、后盖、磁铁、硅钢板、轴和轴承。下面给出详细的解释。 无刷,干扰低 通过消除电刷,无刷电机避免了运行过程中产生的电火花。这大大减少了电磁干扰,...

    Read More