变频调速目前已经成为主流的调速方式,可广泛应用于各行各业无极变速传动。
在变频电机调速控制系统中,采用电子电力变频器作为供电电源,它不可避免的会有高次谐波分量,谐波对电机的影响较大。主要体现在磁路中谐波磁势和电路中的谐波电流上。不同振幅和频率的电流和磁通谐波将引起电动机定子铜耗转子铝耗。这些损耗使电动机效率、功率因数降低,这些损耗绝大部分转变成热能,引起电动机附加发热,导致电动机温升增加,其温升一般要增加10~20%。由于采用变频器供电,传导和辐射的电磁干扰,定子绕组中绝缘老化,共摸电压导致加速轴承的恶化和泄露电流,轴承易坏,同时电动机发出尖叫声。由于谐波磁动势与转子谐波电流合成后产生恒定的谐波电磁转矩和振动的谐波电磁转矩。这些转矩会使电动机发出的转矩产生脉动,从而使电动机转速低时发生振动。
本公司生产的YS、IE2、IE3系列通用三相异步电动机在设计上,我们主要考虑的是电动机的过载能力、起动性能、效率和功率因数。另外主要考虑电动机对非正弦电源的适应能力。仰制电流中的高次谐波对电动机的影响。由于电动机在低频区工作时温升的升高,绝缘等级采用F级以上,采用高分子绝缘材料及真空压力浸漆工艺,以及采用特殊的绝缘结构。为了降低电磁转动矩的脉动,提高机械零部件的加工精度,提高平衡质量,采用高精度静音轴承。为了消除电机振动,对电动机整体结构进行了加强设计。
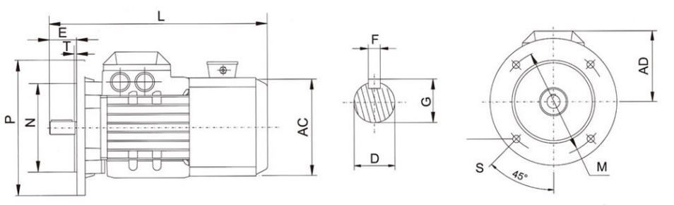
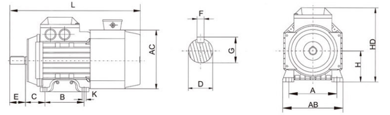
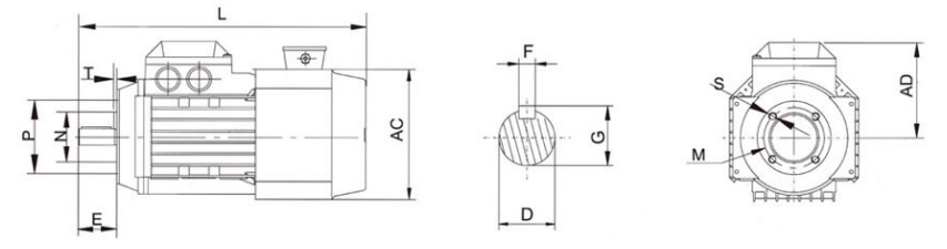
由于电动机的低频区工作时,因转速降低而使电动机原有设计的通风系统作用降低,电动机温度上升,因此在电动机后端装有一台单相220V或三相380V的独立轴流冷却风机,保障电动机在转速下得到有效的散热,可实现电动机在高速或低速下长期运行。我公司生产的YVF三相变频电动机可配制动器,也可以配编码器,实现低速无极调速控制。YVF三相变频电动机通用性好,其安装尺寸符合IEC标准,与一般标准型电动机具有互换性。

English
中文简体
русский
Español

