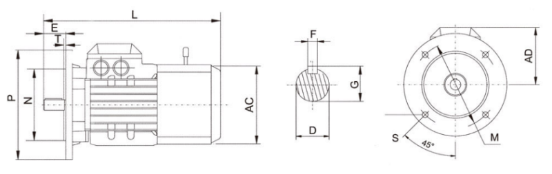
制动电机是由三相异步电动机和制动器两部分组成,是三相异步电动机的派生系列。制动器分为手动释放和螺栓释放两种形式。制动器是制动电机的主要部件。其工作电源分为两类;一类是交流制动,另一类是直流制动。目前我公司的制动电机均为直流制动电机,其优点是制动力矩大、安装调试方便、制动响应速度快、可靠性高、通用性强等优点。
一、YEJ制动电机工作原理
在电机的后端盖装有一个石棉耐磨材料的摩擦盘和励磁线圈。当电机失电后摩擦盘被制动器弹簧通过一块压紧板,紧紧地在电机后端盖已加工的平面上,从而使制动盘产生强大的摩擦力矩,达到制动的目的。当励磁线圈通电后产生电磁吸力,将弹簧压紧板吸合,压紧板离开摩擦盘。使摩擦盘释放,电动机灵活转动,根据电动机功率不同,线圈电阻在几十至几百欧之间。
二、直流制动器不能直接接在交流电源上,在制动吸盘上装有绕组线圈,绕组的额定电压为低压直流电压。工作时必须由单相交流电源经整流后供给吸盘绕组,因此制动电机接线盒内时装有整流器,接线方法在第22页图1。
三、制动时间
制动电机的制动时间(t)是从电机和制动器停止供电瞬间开始到轴完全停止时所有用的时间,一般情况下,63~80机座号的电机其制动时间为0.5秒钟,90~132机座号的电机其制动时间为1秒钟,160~180机座号的电机其制动时间为2秒钟。
四、制动电机的调整与维修
在制动电机使用过程中随着制动次数的增加,摩擦盘会有磨损情况存在,因此摩擦盘与电机后盖的间隙也随之增大。对长期运转的点击,间隙的改变直接影响点击的制动力矩。间隙在调整时不能过小,间隙过小,摩擦盘与电机后盖摩擦平面不能完全分离而烧毁电机,间隙过大,压紧板不能吸合或吸合过程中产生强烈的噪声。制动压紧板与电磁吸盘的间隙按制动器而定,一般63~112机座号的电机其制动器间隙在0.25mm~0.30mm,130~180 机座号的电机制动器间隙在0.50mm~0.80mm。
五、制动电机的变频运行
随着社会生产率的不断发展和科学技术的不断提升。制动加变频方式在执行机构中得到了广泛的应用。我公司生产的所有异步电动机都能配置变频器运行。此时,制动器必须单独提供稳定的工作电源,不能与电动机上的电源接线端子并接共用。否则制动器无法正常工作。需要提出的是:制动器电机配变频操作时,要附加一个轴流风扇,此风扇也只能独立控制和供电。值得注意的是,我公司生产的所有异步电动机频率范围在60Hz,如用户有特殊要求可向公司提出。

English
中文简体
русский
Español




